電話:0513-88924598
傳真:0513-88922469
郵箱:zxjha@163.com
QQ:451264878
地址:江蘇省海安市開發區通榆中路139號-8
| ||||||||||||||||||||||||||||||||||||||||||||||||||||||||||||||||||||||||||||||||||||||||||||||||||||||||||||||||||||||||||||||||
產品詳情: | ||||||||||||||||||||||||||||||||||||||||||||||||||||||||||||||||||||||||||||||||||||||||||||||||||||||||||||||||||||||||||||||||
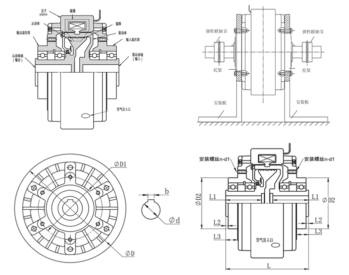
宏大FLK型空心軸磁粉離合器跟ZKB型雙出軸、ZKG型微型磁粉離合器的工作原理都是一樣的,都是以磁粉為工作介質,以激磁電流為控制手段,達到控制制動或者傳遞轉矩的目的。
FLK型空心軸磁粉離合器根據電磁原理和利用磁粉傳遞扭矩。具有激磁電流和傳遞轉矩基本成線性關系。在同滑差無關的情況下能夠傳遞一定的轉矩,具有響應速度快、結構簡單、無污染、無噪音等優點。
空心軸磁粉離合器的軸連接一定要使用彈性聯軸器,而且軸與軸之間的同心、直角度等必須保持在所使用的彈性聯軸器的允許范圍之內。進行皮帶盤安裝時,請保持在容許軸負重的范圍內。在投入使用前,請檢查磁粉離合器、托架、安裝板、聯軸器等要件,確保磁粉離合器運轉安全。
注:FLK 6磁粉離合器冷卻方式為單風扇冷卻,其余都為雙風扇冷卻 | ||||||||||||||||||||||||||||||||||||||||||||||||||||||||||||||||||||||||||||||||||||||||||||||||||||||||||||||||||||||||||||||||
| 【刷新頁面】【加入收藏】【打印此文】 【關閉窗口】 | ||||||||||||||||||||||||||||||||||||||||||||||||||||||||||||||||||||||||||||||||||||||||||||||||||||||||||||||||||||||||||||||||
| 上一篇:FLKT型空心軸磁粉離合器 下一篇:ZA-A型空心軸磁粉離合器 | ||||||||||||||||||||||||||||||||||||||||||||||||||||||||||||||||||||||||||||||||||||||||||||||||||||||||||||||||||||||||||||||||